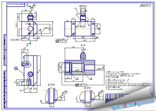
| Чертежи в компасе 12 + РПЗ в doc-файле, Выбор заготовки, расчет припусков, режимов резания, разработка маршрута и проектирование приспособления. | |
|   | . | 
| Чертежи в компасе 12 + РПЗ в doc-файле, Выбор заготовки, расчет припусков, режимов резания, разработка маршрута и проектирование приспособления. | |
|   | . | 
Добрый день, мне надо написать ВАР для РАНХиГС, срок 6 дней, готов план и первая глава. Требуется сама ВАР, презентация и текст выступления. Прошу пишите в мессенджеры или на почту, отвечать не всегда могу на звонки.
Владимир, здравствуйте! Мы можем Вам помочь. Прошу Вас прислать всю необходимую информацию на почту и написать что необходимо выполнить.
Я посмотрю описание к заданиям и напишу Вам стоимость и срок выполнения. Информацию нужно прислать на почту info@chertezhi-pro.ru
Пройти тестирование по 4 предметам на вступительных экзаменах.
Антон, здравствуйте! Мы можем Вам помочь. Прошу Вас прислать всю необходимую информацию на почту и написать что необходимо выполнить.
Я посмотрю описание к заданиям и напишу Вам стоимость и срок выполнения. Информацию нужно прислать на почту info@chertezhi-pro.ru
Здравствуйте. Подскажете сколько будет стоить сессия в РОСДИСТАНТ ТГУ ПГС:
1. Системы автоматизированного проектирования в строительстве
Сдано заданий: 0 из 5
2. Сопротивление материалов 2
Сдано заданий: 0 из 24
3. Сопротивление материалов 1
Сдано заданий: 0 из 19
4. Технологические процессы в строительстве
Сдано заданий: 0 из 4
5. Технология конструкционных материалов
Сдано заданий: 0 из 41
6. Водоснабжение и водоотведение
Сдано заданий: 0 из 2
7. Производственная практика (практика по получению профессиональных умений и опыта профессиональной деятельности)
Сдано заданий: 0 из 2
8. Строительные машины и механизмы
Сдано заданий: 0 из 7
9. Учебная практика (изыскательская практика) СТРбд, СТРбп, СТРбз
Сдано заданий: 0 из 2
10. Строительная механика
Сдано заданий: 0 из 16
11. Конструкции жилых зданий
Сдано заданий: 0 из 10
Андрей, здравствуйте! Мы можем Вам помочь. Прошу Вас прислать всю необходимую информацию на почту и написать что необходимо выполнить.
Я посмотрю описание к заданиям и напишу Вам стоимость и срок выполнения. Информацию нужно прислать на почту info@chertezhi-pro.ru
Здравствуйте. Подскажите, пожалуйста, в вашем центре есть такая услуга, как выполнять задания (контрольные, лабораторные) за обучающегося (Институт: СибГУТИ, Специальность Техносферная безопасность) по следующим дисциплинам: «Медико-биологические основы безопасности жизнедеятельности», «Метрология, стандартизация и сертификация», «Мониторинг среды обитания», «Надзор и контроль в сфере безопасности», «Основы телекоммуникаций», «Правовые основы безопасности», «Физико-химические процессы в техносфере» — и отправлять выполненные задания через личный кабинет на проверку. Если такая услуга существует, подскажите, пожалуйста, стоимость.
Руслан, здравствуйте! Мы можем Вам помочь. Прошу Вас прислать всю необходимую информацию на почту и написать что необходимо выполнить.
Я посмотрю описание к заданиям и напишу Вам стоимость и срок выполнения. Информацию нужно прислать на почту info@chertezhi-pro.ru
Здравствуйте, нужен отчёт по ПГС практике.
Александр, здравствуйте! Мы можем Вам помочь. Прошу Вас прислать всю необходимую информацию на почту и написать что необходимо выполнить.
Я посмотрю описание к заданиям и напишу Вам стоимость и срок выполнения. Информацию нужно прислать на почту info@chertezhi-pro.ru
Требуется решить задачи по дисциплине надежность технических систем и техногенный риск.
Олег, здравствуйте! Мы можем Вам помочь. Прошу Вас прислать всю необходимую информацию на почту и написать что необходимо выполнить.
Я посмотрю описание к заданиям и напишу Вам стоимость и срок выполнения. Информацию нужно прислать на почту info@chertezhi-pro.ru
Необходимо доработать магистерскую диссертацию в соответствии с заданием преподавателя и методическими рекомендациями.
Николай, здравствуйте! Мы можем Вам помочь. Прошу Вас прислать всю необходимую информацию на почту и написать что необходимо выполнить.
Я посмотрю описание к заданиям и напишу Вам стоимость и срок выполнения. Информацию нужно прислать на почту info@chertezhi-pro.ru
Здравствуйте хотел бы узнать стоимость сессии под ключ. Промышленные и гражданское строительство 2 курс 1 семестр.
Василий, здравствуйте! Мы можем Вам помочь. Прошу Вас прислать всю необходимую информацию на почту и написать что необходимо выполнить.
Я посмотрю описание к заданиям и напишу Вам стоимость и срок выполнения. Информацию нужно прислать на почту info@chertezhi-pro.ru
5 семестр. Машиностроение. (тесты, промежуточные тесты, курсовые проекты) ТГУ.
Высшая математика 1;
Иностранный язык 3;
Иностранный язык 4;
Механика 1;
Механика 2;
Механика 3;
Механика 3 (курсовой проект);
Механика 4;
Механика 4 (курсовой проект);
Основы гидравлики и термодинамики;
Технология сварки плавлением.
Цена вопроса ?
Михаил, здравствуйте! Мы можем Вам помочь. Прошу Вас прислать всю необходимую информацию на почту и написать что необходимо выполнить.
Я посмотрю описание к заданиям и напишу Вам стоимость и срок выполнения. Информацию нужно прислать на почту info@chertezhi-pro.ru
Нужно зайти на портал и оценить сколько выйдет сдача долгов, ПГС 4 курс в данный момент, надо закрыть 1, 2 курс.
Иван, здравствуйте! Мы можем Вам помочь. Прошу Вас прислать всю необходимую информацию на почту и написать что необходимо выполнить.
Я посмотрю описание к заданиям и напишу Вам стоимость и срок выполнения. Информацию нужно прислать на почту info@chertezhi-pro.ru
Добрый день, выполняйте ли работы по «Оборудование и технология сварочного производства»?
Юля, здравствуйте! Мы можем Вам помочь. Прошу Вас прислать всю необходимую информацию на почту и написать что необходимо выполнить.
Я посмотрю описание к заданиям и напишу Вам стоимость и срок выполнения. Информацию нужно прислать на почту info@chertezhi-pro.ru
Стоимость полного выполнения всех предметов (9 шт.) по специальности «Промышленное и гражданское строительство», 1 курс, 1 сессия? Сроки? Детали по запросу.
Александр, здравствуйте! Мы можем Вам помочь. Прошу Вас прислать всю необходимую информацию на почту и написать что необходимо выполнить.
Я посмотрю описание к заданиям и напишу Вам стоимость и срок выполнения. Информацию нужно прислать на почту info@chertezhi-pro.ru
Требуется решить 5 задач по маркшейдерии.
Анна, здравствуйте! Мы можем Вам помочь. Прошу Вас прислать всю необходимую информацию на почту и написать что необходимо выполнить.
Я посмотрю описание к заданиям и напишу Вам стоимость и срок выполнения. Информацию нужно прислать на почту info@chertezhi-pro.ru
Геодезия и дистанционное зондирование. Нужно сдать итоговый тест по прикладной геодезии.
Арсений, здравствуйте! Мы можем Вам помочь. Прошу Вас прислать всю необходимую информацию на почту и написать что необходимо выполнить.
Я посмотрю описание к заданиям и напишу Вам стоимость и срок выполнения. Информацию нужно прислать на почту info@chertezhi-pro.ru
Решить тест 25 вопросов, дистанционное обучение по метрологии. Выполнить курсовую работу.
Эдуард, здравствуйте! Мы можем Вам помочь. Прошу Вас прислать всю необходимую информацию на почту и написать что необходимо выполнить.
Я посмотрю описание к заданиям и напишу Вам стоимость и срок выполнения. Информацию нужно прислать на почту info@chertezhi-pro.ru
Добрый день. Нужна помощь по 8 дисциплинам, а именно сделать самостоятельные работы и ответить на тестовые вопросы и практические задания с входом в личный кабинет.
Валентина, здравствуйте! Мы можем Вам помочь. Прошу Вас прислать всю необходимую информацию на почту и написать что необходимо выполнить.
Я посмотрю описание к заданиям и напишу Вам стоимость и срок выполнения. Информацию нужно прислать на почту info@chertezhi-pro.ru