Технология машиностроения, изготовление вала

Дипломные и курсовые работы

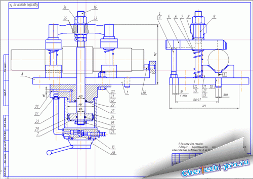
Курсовой на тему изготовление детали типа вал, механической обработкой. чертежи узла, детали, заготовки, наладки на 3 станка, техпроцесс обработки, спецификация, пз

.
Чертежи-про сборник бесплатных чертежей
Добавить комментарий

  1. Владимир

    Добрый день, мне надо написать ВАР для РАНХиГС, срок 6 дней, готов план и первая глава. Требуется сама ВАР, презентация и текст выступления. Прошу пишите в мессенджеры или на почту, отвечать не всегда могу на звонки.

    Ответить
    1. Татьяна автор

      Владимир, здравствуйте! Мы можем Вам помочь. Прошу Вас прислать всю необходимую информацию на почту и написать что необходимо выполнить.
      Я посмотрю описание к заданиям и напишу Вам стоимость и срок выполнения. Информацию нужно прислать на почту info@chertezhi-pro.ru

      Ответить
  2. Антон

    Пройти тестирование по 4 предметам на вступительных экзаменах.

    Ответить
    1. Татьяна автор

      Антон, здравствуйте! Мы можем Вам помочь. Прошу Вас прислать всю необходимую информацию на почту и написать что необходимо выполнить.
      Я посмотрю описание к заданиям и напишу Вам стоимость и срок выполнения. Информацию нужно прислать на почту info@chertezhi-pro.ru

      Ответить
  3. Андрей

    Здравствуйте. Подскажете сколько будет стоить сессия в РОСДИСТАНТ ТГУ ПГС:
    1. Системы автоматизированного проектирования в строительстве
    Сдано заданий: 0 из 5
    2. Сопротивление материалов 2
    Сдано заданий: 0 из 24
    3. Сопротивление материалов 1
    Сдано заданий: 0 из 19
    4. Технологические процессы в строительстве
    Сдано заданий: 0 из 4
    5. Технология конструкционных материалов
    Сдано заданий: 0 из 41
    6. Водоснабжение и водоотведение
    Сдано заданий: 0 из 2
    7. Производственная практика (практика по получению профессиональных умений и опыта профессиональной деятельности)
    Сдано заданий: 0 из 2
    8. Строительные машины и механизмы
    Сдано заданий: 0 из 7
    9. Учебная практика (изыскательская практика) СТРбд, СТРбп, СТРбз
    Сдано заданий: 0 из 2
    10. Строительная механика
    Сдано заданий: 0 из 16
    11. Конструкции жилых зданий
    Сдано заданий: 0 из 10

    Ответить
    1. Татьяна автор

      Андрей, здравствуйте! Мы можем Вам помочь. Прошу Вас прислать всю необходимую информацию на почту и написать что необходимо выполнить.
      Я посмотрю описание к заданиям и напишу Вам стоимость и срок выполнения. Информацию нужно прислать на почту info@chertezhi-pro.ru

      Ответить
  4. Руслан

    Здравствуйте. Подскажите, пожалуйста, в вашем центре есть такая услуга, как выполнять задания (контрольные, лабораторные) за обучающегося (Институт: СибГУТИ, Специальность Техносферная безопасность) по следующим дисциплинам: «Медико-биологические основы безопасности жизнедеятельности», «Метрология, стандартизация и сертификация», «Мониторинг среды обитания», «Надзор и контроль в сфере безопасности», «Основы телекоммуникаций», «Правовые основы безопасности», «Физико-химические процессы в техносфере» — и отправлять выполненные задания через личный кабинет на проверку. Если такая услуга существует, подскажите, пожалуйста, стоимость.

    Ответить
    1. Татьяна автор

      Руслан, здравствуйте! Мы можем Вам помочь. Прошу Вас прислать всю необходимую информацию на почту и написать что необходимо выполнить.
      Я посмотрю описание к заданиям и напишу Вам стоимость и срок выполнения. Информацию нужно прислать на почту info@chertezhi-pro.ru

      Ответить
  5. Александр

    Здравствуйте, нужен отчёт по ПГС практике.

    Ответить
    1. Татьяна автор

      Александр, здравствуйте! Мы можем Вам помочь. Прошу Вас прислать всю необходимую информацию на почту и написать что необходимо выполнить.
      Я посмотрю описание к заданиям и напишу Вам стоимость и срок выполнения. Информацию нужно прислать на почту info@chertezhi-pro.ru

      Ответить
  6. Олег

    Требуется решить задачи по дисциплине надежность технических систем и техногенный риск.

    Ответить
    1. Татьяна автор

      Олег, здравствуйте! Мы можем Вам помочь. Прошу Вас прислать всю необходимую информацию на почту и написать что необходимо выполнить.
      Я посмотрю описание к заданиям и напишу Вам стоимость и срок выполнения. Информацию нужно прислать на почту info@chertezhi-pro.ru

      Ответить
  7. Николай

    Необходимо доработать магистерскую диссертацию в соответствии с заданием преподавателя и методическими рекомендациями.

    Ответить
    1. Татьяна автор

      Николай, здравствуйте! Мы можем Вам помочь. Прошу Вас прислать всю необходимую информацию на почту и написать что необходимо выполнить.
      Я посмотрю описание к заданиям и напишу Вам стоимость и срок выполнения. Информацию нужно прислать на почту info@chertezhi-pro.ru

      Ответить
  8. Василий

    Здравствуйте хотел бы узнать стоимость сессии под ключ. Промышленные и гражданское строительство 2 курс 1 семестр.

    Ответить
    1. Татьяна автор

      Василий, здравствуйте! Мы можем Вам помочь. Прошу Вас прислать всю необходимую информацию на почту и написать что необходимо выполнить.
      Я посмотрю описание к заданиям и напишу Вам стоимость и срок выполнения. Информацию нужно прислать на почту info@chertezhi-pro.ru

      Ответить
  9. Михаил

    5 семестр. Машиностроение. (тесты, промежуточные тесты, курсовые проекты) ТГУ.
    Высшая математика 1;
    Иностранный язык 3;
    Иностранный язык 4;
    Механика 1;
    Механика 2;
    Механика 3;
    Механика 3 (курсовой проект);
    Механика 4;
    Механика 4 (курсовой проект);
    Основы гидравлики и термодинамики;
    Технология сварки плавлением.

    Цена вопроса ?

    Ответить
    1. Татьяна автор

      Михаил, здравствуйте! Мы можем Вам помочь. Прошу Вас прислать всю необходимую информацию на почту и написать что необходимо выполнить.
      Я посмотрю описание к заданиям и напишу Вам стоимость и срок выполнения. Информацию нужно прислать на почту info@chertezhi-pro.ru

      Ответить
  10. Иван

    Нужно зайти на портал и оценить сколько выйдет сдача долгов, ПГС 4 курс в данный момент, надо закрыть 1, 2 курс.

    Ответить
    1. Татьяна автор

      Иван, здравствуйте! Мы можем Вам помочь. Прошу Вас прислать всю необходимую информацию на почту и написать что необходимо выполнить.
      Я посмотрю описание к заданиям и напишу Вам стоимость и срок выполнения. Информацию нужно прислать на почту info@chertezhi-pro.ru

      Ответить
  11. Юля

    Добрый день, выполняйте ли работы по «Оборудование и технология сварочного производства»?

    Ответить
    1. Татьяна автор

      Юля, здравствуйте! Мы можем Вам помочь. Прошу Вас прислать всю необходимую информацию на почту и написать что необходимо выполнить.
      Я посмотрю описание к заданиям и напишу Вам стоимость и срок выполнения. Информацию нужно прислать на почту info@chertezhi-pro.ru

      Ответить
  12. Александр

    Стоимость полного выполнения всех предметов (9 шт.) по специальности «Промышленное и гражданское строительство», 1 курс, 1 сессия? Сроки? Детали по запросу.

    Ответить
    1. Татьяна автор

      Александр, здравствуйте! Мы можем Вам помочь. Прошу Вас прислать всю необходимую информацию на почту и написать что необходимо выполнить.
      Я посмотрю описание к заданиям и напишу Вам стоимость и срок выполнения. Информацию нужно прислать на почту info@chertezhi-pro.ru

      Ответить
  13. Анна

    Требуется решить 5 задач по маркшейдерии.

    Ответить
    1. Татьяна автор

      Анна, здравствуйте! Мы можем Вам помочь. Прошу Вас прислать всю необходимую информацию на почту и написать что необходимо выполнить.
      Я посмотрю описание к заданиям и напишу Вам стоимость и срок выполнения. Информацию нужно прислать на почту info@chertezhi-pro.ru

      Ответить
  14. Арсений

    Геодезия и дистанционное зондирование. Нужно сдать итоговый тест по прикладной геодезии.

    Ответить
    1. Татьяна автор

      Арсений, здравствуйте! Мы можем Вам помочь. Прошу Вас прислать всю необходимую информацию на почту и написать что необходимо выполнить.
      Я посмотрю описание к заданиям и напишу Вам стоимость и срок выполнения. Информацию нужно прислать на почту info@chertezhi-pro.ru

      Ответить
  15. Эдуард

    Решить тест 25 вопросов, дистанционное обучение по метрологии. Выполнить курсовую работу.

    Ответить
    1. Татьяна автор

      Эдуард, здравствуйте! Мы можем Вам помочь. Прошу Вас прислать всю необходимую информацию на почту и написать что необходимо выполнить.
      Я посмотрю описание к заданиям и напишу Вам стоимость и срок выполнения. Информацию нужно прислать на почту info@chertezhi-pro.ru

      Ответить
  16. Валентина

    Добрый день. Нужна помощь по 8 дисциплинам, а именно сделать самостоятельные работы и ответить на тестовые вопросы и практические задания с входом в личный кабинет.

    Ответить
    1. Татьяна автор

      Валентина, здравствуйте! Мы можем Вам помочь. Прошу Вас прислать всю необходимую информацию на почту и написать что необходимо выполнить.
      Я посмотрю описание к заданиям и напишу Вам стоимость и срок выполнения. Информацию нужно прислать на почту info@chertezhi-pro.ru

      Ответить
Заявка на расчет